


Turchi can provide an on board compressor to be used with the DTH hammer. Whilst the capacity of the compressor is limited due to space and engine capacity, it does offer a very compact total unit for the DTH for guardrail pre-drilling.
|
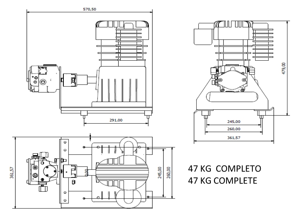
Air Displacement |
1050 l/min |
|
1000 l/min |
|
|
Max Working Pressure |
12 Bar / PSI |
|
RPM |
1450 |
|
Cylinders Stages |
2 |
Turchi Australia
P: +61 1300 798 553
E: [email protected]
Turchi USA
P: +1 (888) 788 7244 - (888) 7 TURCHI
E: [email protected]
Turchi Australia Copyright 2014. All Rights Reserved. Website & Design By Webweapon